當前位置:首頁>>資訊中心>>井蓋行業動態 ? 球墨鑄鐵排水井蓋管理規范,珠海市地方標準DB4404/T 29—2022
文章出處:http://www.lmrfgs.com/ 責任編輯:周洪波 閱讀量:17788 次 發表時間:2025-02-06 23:16:35

目 次
前言 ................................................................................. II
引言 ................................................................................ III
1 范圍..............................................................................4
2 規范性引用文件 .....................................................................4
3 術語和定義..........................................................................4
4 通用要求............................................................................6
5 安裝要求............................................................................7
6 驗收要求............................................................................8
7 日常運維............................................................................9
8 應急處置............................................................................10
附錄A(資料性) 排水井蓋樣式 ........................................................ 12
前 言
本文件按照GB/T 1.1—2020《標準化工作導則 第1部分:標準化文件的結構和起草規則》的規定起草。
本文件由珠海市水務局提出并歸口。
本文件起草單位:珠海市供水與排水治污中心、珠海供排水管網有限公司、珠海市規劃設計研究院、珠海高華市政綜合管理有限公司、廣州市安道給排水技術有限公司、保定吉信金屬制品有限公司、廣東民升建設工程有限公司。
本文件主要起草人:付朝暉、陸偉雄、張琦、范利青、李頌東、葉計朋、譚慶儉、王波、羅亭、周國鑫、梁杰明、鄒霽、楊勁暉、譚浪波、商添雄、黃紫瑤、吳孟李、王宏宇、黃澤強、陳澤鑫、溫海奇、劉鑫蕊、何遠琴、彭祖斌、林宇澤、李欣倩、劉向朗、成林潘、何怡、杜鵬、黃文鍵。
引 言
排水井蓋是城市基礎設施重要組成部分,井蓋安全管理事關城市安全有序運行和群眾生產生活安全保障,本文件的制定有利于強化城市運行安全保障,有效防范事故發生。
珠海市市政排水井蓋數量已達20萬余個,且大多數為球墨鑄鐵井蓋,但是由于地質條件、建設時序、施工質量等原因,井蓋質量參差不齊,井蓋沉降、破損、缺失等情況時有發生,存在一定程度上的安全隱患。所以需要規范排水井蓋的產品質量及安裝質量,提高其管理水平,以保障井蓋使用安全,有利于進一步提升城市公共服務水平。
目前現行國家標準《檢查井蓋》(GB/T 23858-2009)以及《鑄鐵檢查井蓋》(CJ/T 511-2017)等已對排水井蓋的產品質量做出相關要求,本文件主要結合珠海市現狀情況,對排水井蓋的產品樣式、安裝施工、管理維護提出進一步的要求,以規范排水井蓋的管理。
球墨鑄鐵排水井蓋管理規范
本文件規定了珠海市市政球墨鑄鐵排水檢查井蓋及雨水箅的通用要求、安裝要求、驗收要求、日常運維、應急處置。
本文件適用于安裝在市政范圍內的綠化帶、人行道、非機動車道、機動車行道等地面的井座凈開孔小于900 mm排水檢查井蓋及雨水箅,其他區域的排水檢查井蓋及雨水箅可參考本文件。
下列文件中的內容通過文中的規范性引用而構成本文件必不可少的條款。其中,注日期的引用文件,僅該日期對應的版本適用于本文件;不注日期的引用文件,其最新版本(包括所有的修改單)適用于本文件。
GB 5725-2009 安全網
GB/T 1348-2019 球墨鑄鐵件
GB/T 9441-2009 球墨鑄鐵金相檢驗
GB/T 23858-2009 檢查井蓋
CJ/T 328-2010 球墨鑄鐵復合樹脂水箅
CJ/T 511-2017 鑄鐵檢查井蓋
HG/T 3080-2009 防震橡膠制品用橡膠材料
DB4404/T 10-2021 珠海市市政排水設施管理養護規范
GB/T 23858-2009、DB4404/T 10-2021界定的以及下列術語和定義適用于本文件。
3.1 排水井蓋 drainage cover
檢查井口或雨水口上可開啟的排水設施,包括檢查井蓋和雨水箅兩種。
3.2 檢查井 manhole
地下排水設施中用于連接、檢查、維護管線和安裝設備的豎向構筑物。
[來源:GB/T 23858-2009,3.1]
3.3 檢查井蓋 manhole cover
檢查井口可開啟的封閉物,由井蓋和井座組成。
[來源:GB/T 23858-2009,3.2]
3.4 井蓋 cover
檢查井蓋中可開啟的部分,用于封閉檢查井口。
[來源:GB/T 23858-2009,3.3]
3.5 井座 manhole frame
檢查井蓋中固定于檢查井、集水井井口或集水溝頂部的部分,用于安放井蓋。
[來源:GB/T 23858-2009,3.4]
3.6 雨水口 rainwater discharge port
在地下雨水管線上間隔一定的距離修建的收集雨水的入口。
3.7 橫截溝 horizontal ditch
設置在機動車道上的橫向人工溝渠,用于截流地表的雨水,斷面有梯形、矩形或U形等。
3.8 邊溝 side ditch
設置在道路邊的縱向人工溝渠,用于收集地表的雨水,斷面有梯形、矩形或U形等,有明溝和加蓋板的暗溝等形式。
[來源:DB4404/T 10-2021,3.9]
3.9 雨水箅 rainwater grate
雨水口上放置的排水設施,由箅子和箅座組成。
3.10
箅子 grate
雨水箅中未固定部分。其功能是排水、截流較大雜物進入雨水口,需要時能夠開啟。
3.11
箅座 grating set
雨水箅中固定于雨水口的部分,用于安放箅子。
3.12 直承式井蓋 straight socket manhole cover
井座承載面為位于底部的結構設計,井座與檢查井采用直承方式連接。
3.13 可調式防沉降井蓋 adjustable settlement proof manhole cover
井座承載面位于頂部與路面標高齊平的結構設計,井座與檢查井采用承插方式連接。
3.14 標準型井蓋 standard cover
用于市政道路的具有統一樣式的排水井蓋。
3.15 景觀型井蓋 landscape cover
因景觀需求,井蓋表面花紋為特殊設計圖案而非一般防滑圖案的檢查井蓋。
3.16 填充式井蓋 filled manhole cover
井蓋頂面為可填充使其外表與周圍路面保持美觀一致材料的結構設計,具有裝飾性。
3.17
防墜裝置 anti-dropping facility
安裝于檢查井內,用于防止和承受行人墜落的構件。
3.18 彈性緩沖減震膠墊 elastic cushioning and shock absorbing rubber pad
固定在井座或井蓋中具有彈性緩沖、降低磨耗、消除碰撞聲等功能的材料,如橡膠、工程塑料等。
3.19 井座凈開孔 clear opening
檢查井井座孔口的最大內切圓直徑或方形井座孔口的邊長。
3.20 試驗荷載 testing load
在測試檢查井蓋承載能力時規定施加的豎向荷載。
4.1 選用要求
4.1.1 市政排水井蓋按承載能力宜選用如下三級:B125、C250、D400,分別對應GB/T 23858-2009中
B125、C250、D400。
4.1.2 不同使用場所,對排水井蓋承載力具體要求如下:
a) 綠化帶、人行道、非機動車道的區域,最低選用B125類型的排水井蓋。
b) 道路兩旁路緣石開始0.5m以內的區域,最低選用C250類型的排水井蓋。
c) 城市主路、公路,高等級公路、高速公路等區域,最低選用D400類型的排水井蓋。

圖1 使用場所示意圖
4.1.3 排水井蓋按結構分可直承式井蓋和防沉降可調式井蓋。
4.1.4 瀝青路面宜選用防沉降可調式井蓋,混凝土路面、磚砌路面、綠化帶等則宜選用直承式井蓋。
4.1.5 雨水箅按收水方式分為平入式雨水箅、側入式雨水箅和平側聯合式雨水箅三類,可根據路面排水需求進行選用。
4.2 材質
4.2.1 制作排水井蓋所用的球墨鑄鐵應符合GB/T1348-2019的規定。
4.2.2 檢查井蓋承載能力、試驗方法和檢驗規則應按GB/T 23858-2009中相關規定執行。
4.2.3 雨水箅承載能力、抗疲勞性能檢驗應按CJ/T 328-2010中相關規定執行。
4.2.4 排水井蓋的球墨鑄鐵金相檢驗應按GB/T 9441-2009中相關規定執行。
4.2.5 彈性緩沖減震膠墊的硬度、拉伸強度、拉斷伸長率、壓縮永久變形、耐臭氧等應按HG/T 3080-2009中相關規定執行。
4.3 外觀
4.3.1 排水井蓋按外觀可分為標準型井蓋、景觀型井蓋和填充式井蓋。
4.3.2 一般城市道路應采用標準型井蓋;對景觀有特殊要求的區域,可結合工程實際以及文化、景觀等因素,對排水井蓋進行個性化設計,宜采用景觀型井蓋或填充式井蓋。珠海市常用規格的標準型井蓋樣式詳見附錄A。
4.3.3 排水井蓋的表面應完整、光潔,花紋、標記及字標清晰無缺損,無毛刺,無鋒利邊緣,無翹曲變形,材質應均勻,鑄件表面質量應符合CJ/T 511-2017中的有關規定。
4.3.4 井座保持頂平,井蓋上表面不應有拱度。井蓋關閉后井蓋與井座之間允許高差為±1mm。
4.3.5 為了便于檢查井蓋的管理和辨識,檢查井蓋上應制作圖案和標識。檢查井蓋標識必須清晰永久,并能通過標識迅速識別管線井類型、檢查井蓋荷載等級、生產廠家等信息。
5.1 一般要求
5.1.1 安裝所用排水井蓋材料進入施工現場時應進行進場驗收并妥善保管。進場驗收時應檢查每批產品的訂購合同、產品合格證書、承載能力檢驗報告、使用說明書等,并按GB/T 23858-2009中相關規定進行現場抽檢,檢驗合格后方可使用。
5.1.2 排水井蓋的安裝應按設計施工圖進行。安裝后應對排水井蓋的施工質量進行檢查,確保符合設計要求。
5.1.3 排水井蓋安裝時,應做好施工現場圍蔽,確保在施工范圍內封閉作業,及時疏導社會車輛、行人。
5.1.4 鉸接井蓋與井座的鉸鏈軸應與行車方向垂直并安裝在來車方向。
5.1.5 排水井蓋安裝完畢后,應開啟和關閉井蓋或箅子一次,并檢查和清理井蓋與井座或箅子與箅座間的砂石,確保排水井蓋處于正常使用狀態。
5.1.6 路面上的檢查井蓋、雨水箅,應安裝牢固并保持與路面平順相接。檢查井及其周圍路面1.5m×
1.5m范圍內不得出現沉陷或凸起平。
5.1.7 檢查井內應設有防墜落裝置防止行人意外落井,包括但不限于防墜板和防墜網,防墜裝置承重不應低于3kN,且應滿足GB 5725-2009的相關要求。
5.2 可調式防沉降井蓋的安裝工藝及要求
5.2.1 安裝可調式防沉降井蓋應使用瀝青混合料作為填料。
5.2.2 排水井蓋安裝前,工作井井口應使用預制混凝土調節環,以確保安裝高度滿足設計要求。
5.2.3 井座或箅座底部應插入預制混凝土調節環內 30mm 以上,且其外壁與調節環內壁的徑向總間隙不大于5mm,以防止瀝青混合料漏入井內。
5.2.4 安裝過程應使用“安裝限位井圈”,且安裝與瀝青路面攤鋪同步進行、分層實施,井座或箅座承載面底下的瀝青應分層夯實,保證壓實度不低于周圍瀝青路面的設計要求。
5.2.5 井座或箅座底部應噴灑乳化瀝青,確保與瀝青混合料緊密結合。瀝青混合料攤鋪初始碾壓后,應及時通過填充井座或箅座承載面底部的瀝青混合料來調整排水井蓋標高,然后使用振蕩壓路機反復軋平壓實。
5.2.6 排水井蓋安裝完成后,除綠化帶的井蓋外,井蓋或箅子標高應與路面保持平整。
5.2.7 當在舊有道路更換排水井蓋時,應符合以下要求:
a) 舊有排水井蓋周圍路面應切割整齊、美觀;
b) 鑿除舊有排水井蓋后的工作面基底應清理干凈,不得有余泥、雜物等,并在表面噴灑乳化瀝青。
5.3 直承式井蓋的安裝工藝及要求
5.3.1 直承式井蓋的基座安裝工藝可分為現澆和預制混凝土兩種。
5.3.2 使用現澆混凝土基座工藝安裝時,應符合以下要求:
a) 將排水井蓋放置于工作井井口,調整井蓋的安裝高度,確保其頂面與路面設計標高一致;
b) 在工作井井口內部做好模板支護,避免混凝土砂漿溢出;
c) 直接在井座或箅座周圍整體鋪筑混凝土,排水井蓋安裝完成后應與路面保持平整; d) 按混凝土的養護要求進行養護。
5.3.3 使用預制混凝土基座工藝安裝時,應符合以下要求:
a) 在工作井井口頂面鋪砌20mm厚碎石水泥砂漿;
b) 將預制好混凝土基座的井座或箅座放置于工作井井口,調平井蓋或箅子與路面標高;
c) 在混凝土基座周圍灌注碎石混凝土,振搗密實,確保無空鼓; d) 按混凝土的養護要求進行養護。
5.4 填充式井蓋的安裝工藝及要求
5.4.1 調整填充式井蓋的安裝高度,確保其頂面與路面設計標高一致,井蓋安裝完成后應與路面保持平整。
5.4.2 在檢查井井口內部做好模板支護,避免混凝土砂漿溢出。
5.4.3 當鋪筑現澆成型路面時,應先將井蓋放置在井座內并將填充式井蓋固定在完成位置,路面整體施工,一次鋪筑成型。
5.4.4 當鋪裝其他材料的路面時,應按如下步驟施工:
a) 先用適量砂漿將井座固定,然后鋪裝井座周圍路面;
b) 將井蓋放置在井座內,然后在井蓋頂面凹陷部位鋪裝與周邊路面的材質、顏色、花紋等一致的材料,并對縫施工,填充物底部應用水泥砂漿與井蓋粘結牢固、不脫落。
5.4.5 按不同鋪裝材料的養護要求進行圍蔽養護。
6.1 竣工驗收時,應對排水井蓋進行分項驗收,并應邀請排水行政主管部門或排水井蓋維護單位參加,符合本規范要求的予以辦理檢查井蓋移交手續。
6.2 排水井蓋應與管道及道路配合施工,排水井蓋安裝的位置、高程應符合設計要求。
6.3 檢驗批的質量應按主控項目和一般項目進行驗收。
6.4 排水井蓋質量檢驗應符合以下規定: a) 主控項目
1) 排水井蓋承載能力應符合GB/T 23858-2009的要求。
—— 檢查數量:同一級別、種類,每檢驗批檢測1組。
—— 檢驗方法:核查承載能力檢驗報告。
2) 可調式防沉降井蓋周邊瀝青混合料壓實度應符合設計要求,無松散、離析、開裂、脫層等現象,不低于道路的壓實度標準。
—— 檢查數量:全數檢查。
—— 檢查方法:觀察檢查井蓋安裝觀察孔內瀝青填充料是否密實,檢查該路段瀝青路面壓實度檢測報告。
3) 排水井蓋的安裝應穩固,無損壞、響動、翹跛和錯蓋現象。
—— 檢查數量:全數檢查。
—— 檢驗方法:觀察。
b) 一般項目
1) 排水井蓋外觀應滿足本規范4.3的要求。
—— 檢查數量:全數檢查。
—— 檢查方法:觀察。
2) 排水井蓋頂面鋪砌盲道時,盲道應順直、無障礙。
—— 檢查數量:全數檢查。
—— 檢驗方法:觀察。
6.5 排水井蓋安裝允許偏差應符合表1的規定。
項目 | 允許偏差 | 檢驗頻率 | 檢驗方法 | ||
范圍 | 點數 | ||||
井座與路面高差 | 車行道 | ≤3mm | 每座 | 1 | 十字法,用直尺和塞尺量,取最大值 |
人行道 | 瀝青、水泥鋪裝≤4mm;大理石、花崗巖鋪裝 ≤2mm | 每座 | 1 | 十字法,用直尺和塞尺量,取最大值 | |
井蓋與井座高差 | ≤1mm | 每座 | 1 | 十字法,用直尺和塞尺量,取最大值 | |
井座凈開孔 | 應符合GB/T 23858-2009要求 | 每座 | 1 | 用直尺量測較大值 | |
雨水箅與路緣石間距 | ≤20mm | 每座 | 1 | 用直尺量測較大值 | |
檢查井蓋安裝方向 | 與道路中線平行 | 每座 | 1 | 觀察 | |
7.1 各區政府(管委會)應當確立排水井蓋監督管理部門(以下簡稱監管部門),負責本區范圍內市政檢查井蓋的監督管理和應急處置工作。
7.2 排水井蓋權屬單位可委托專業機構負責排水井蓋的日常維護管理和應急處置工作,制定排水井蓋更新改造計劃,逐步更換超出設計使用年限、材質落后、存在安全隱患的排水檢查井蓋和雨水箅。
7.3 監管部門應建立檢查井蓋應急處置工作機制,督促維護單位加強轄區內檢查井蓋的巡查和維護工作。
7.4 應根據管網普查數據對井蓋建檔,做到“一蓋一編號、一井一檔案”。厘清各類排水井蓋權屬關系和責任主體,對無法確定的,由區屬的行業主管部門負責。
7.5 排水行政主管部門或排水井蓋維護單位應建立涉排水井蓋的信息化管理系統,建議對每個井蓋安裝電子標簽,實現井蓋資產管理 、巡查簽到、定位監控、防盜監管、檢查井信息等功能。
7.6 擴建、改建城市道路需要拆除、移動排水井蓋的,道路工程建設單位應當及時向井蓋權屬單位報告,落實安全防護措施,并在工程完工后按有關技術標準恢復原狀。
7.7 排水井蓋維護單位應建立值班制度,向社會公布24小時井蓋報修電話。
7.8 排水井蓋維護單位應建立巡查、維護管理制度,配備專職人員,定期對井蓋設施進行巡查、養護、維修,并做好記錄。及時發現和處理井蓋安全隱患,保障排水井蓋設施安全完好。
7.9 檢井蓋和雨水箅維護應符合DB4404/T 10-2021中相關要求。
7.10 經常性巡查應包括排水井蓋完好情況,檢查井蓋、雨水箅出現松動,或井蓋(箅子)斷裂、丟失,應立即維修補裝完整。病害判定標準及處理方式見表2。
病害類型 | 判定標準 | 成因分析 | 處理方式 |
沉降 | 井蓋與路面高差超過20mm | 法蘭盤下瀝青混凝土碾壓不密實等 | 重新安裝 |
井蓋與井座高度差 | 井座與井蓋高度差超過5mm | 檢查井蓋松動或鉸鏈軸磨損變形等 | 重新安裝檢查井蓋或更換鉸鏈軸 |
彈簧臂變形、橡膠條(塊)變形或破損 | 調整彈簧臂、更換橡膠條 | ||
傾斜 | 井蓋傾斜度超過10° | 法蘭盤下瀝青混凝土局部碾壓不密實、井筒破損等 | 重新安裝 |
破損 | 井蓋出現缺損或裂紋等 | 超載碾壓或井蓋質量不合格等 | 更換 |
井周路面破損 | 井蓋周圍1.5m范圍內路面出現網裂、沉陷、擁包、車轍、翻漿、松散等破損 | 道路路面或基層問題 | 重新安裝 |
7.11 經常性巡查中,當發現檢查井蓋、雨水箅丟失等影響道路安全運營情況時,第一發現人應按應急預案處置,立即上報、設置圍欄及警示標志。
7.12 井蓋與井座、路面間的允許誤差應符合表3規定。當不符合時,應視具體情況,立即維修更換或安排維修更換計劃。
表3 井蓋與井座間的允許誤差 [來源:CJJ 68-2016,表3.3.3]
設施種類 | 蓋座間隙(mm) | 井蓋與井座高低差(mm) | 井座與路面高低差(mm) |
檢查井 | <8 | ≥-5,≤+5 | ≥-5,≤+5 |
雨水口 | <8 | ≥-10,≤0 | ≥-15,≤0 |
7.13 應定期檢查排水檢查井內設置的防墜裝置是否完好,是否能滿足承載。
7.14 在路緣石側更換平入式雨水箅或平側聯合式雨水箅時,其水平部分安裝高度應低于該處路面標高20mm。應在向外不小于1m范圍內順坡找齊。
7.15 對排水井蓋設施進行檢查、維修、養護、應急處置時,維護單位應當設置警示防護設施;維修后的檢查井、雨水口,在養護期間應設置圍擋和安全標志加以保護。
8.1 排水井蓋權屬單位應制定井蓋應急處置預案,配備應急搶修人員、設備和物資,定期開展應急處置演練。
8.2 健全多部門協同預警和響應處置機制,提高事故防范和應急處置能力。探索建立排水井蓋責任保險制度,強化安全風險保障。
8.3 當維護單位在巡查中發現排水井蓋缺失或嚴重損壞后,應立即設置警示標志,并在 6h 內修補恢復。當接到排水井蓋缺失或嚴重損壞的熱線投訴工單后,必須在2h內安放護欄和警示標志,并應在6h 內修補恢復。
8.4 排澇應急處置時,要密切觀察井內外水壓,確需開啟、移動、加固井蓋的,應設置安全警示,做好安全防護,排澇結束后及時恢復排水井蓋原狀。
8.5 排水井蓋出現缺失或損壞等問題后,維護單位未能在2小時內應急處置的,相關管理部門可以決定立即實施代履行,由道路管理機構采用管線權屬單位提供的符合要求的備用井蓋代為補裝或更換,并通知管線權屬單位確認。
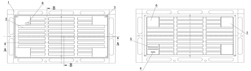
A A 附 錄 A
A.1 檢查井蓋樣式
A.1.1 可調式防沉降井蓋樣式
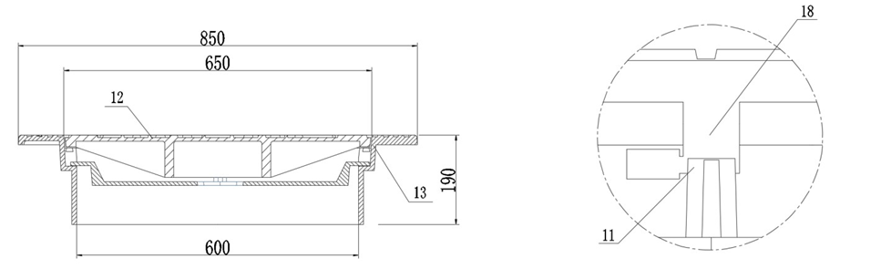
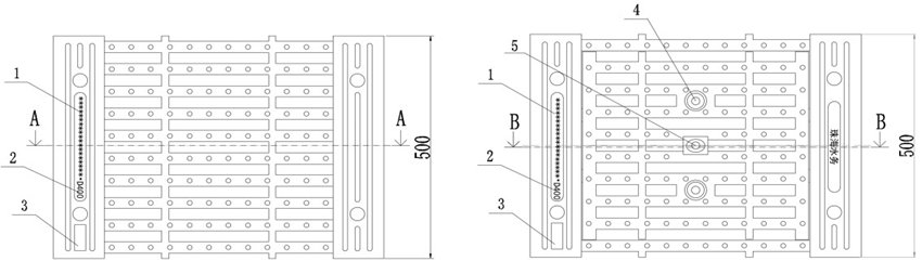
帶孔雨水檢查井可調式防沉降井蓋樣式如圖A.1所示。
單位為毫米

a)檢查井蓋頂面平面圖 b)檢查井蓋底面平面圖

c)A-A檢查井蓋剖面圖 d)B-B檢查井蓋防墜裝置局部剖面圖標引序號說明:
1——維護單位信息 2——安裝觀察孔 | 3——生產日期 4——生產廠家商標 | |
5——執行標準 | 6——安裝方向標識 | |
7——承壓等級 8——檢查井類型 9——服務熱線 10——開啟標識 11——防墜裝置 12——井蓋 13——井座 | 14——生產廠家信息 15——生產批號 16——排水孔 17——彈性鎖定裝置 18——防墜裝置卡扣設計 19——電子標簽安裝孔
| |
注: 適用于瀝青混合料路面的城市主路、公路、高等級公路等區域,以及井口凈開口?650的檢查井,承壓等級為D400。
圖A.1 帶孔雨水檢查井可調式防沉降井蓋樣式
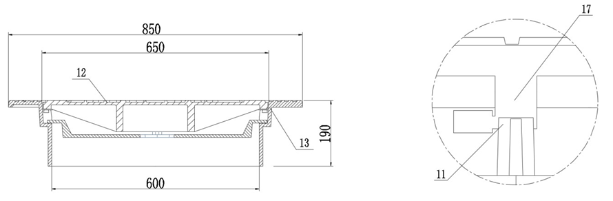
無孔雨水檢查井可調式防沉降井蓋樣式如圖A.2所示。
單位為毫米

a)檢查井蓋頂面平面圖 b)檢查井蓋底面平面圖

c)A-A檢查井蓋剖面圖 d)B-B檢查井蓋防墜裝置局部剖面圖標引序號說明:
1——維護單位信息 2——安裝觀察孔 | 3——生產日期 4——生產廠家商標 | ||
5——執行標準 6——安裝方向標識 7——承壓等級 8——檢查井類型 9——服務熱線 10——開啟標識 | 12——井蓋 13——井座 14——生產廠家信息 15——生產批號 16——彈性鎖定裝置 17——防墜裝置卡扣設計 | ||
11——防墜裝置
注1:適用于瀝青混合料路面的城市主路、公路、高等級公路等區域,以及井口凈開口?650的檢查井,承壓等級為
D400。
注2:雨污合流區域或雨污分流不徹底區域可采用該樣式井蓋防止臭味擴散。
圖A.2 無孔雨水檢查井可調式防沉降井蓋樣式
污水檢查井可調式防沉降井蓋樣式如圖A.3所示。
單位為毫米

a)檢查井蓋頂面平面圖 b)檢查井蓋底面平面圖

c)A-A檢查井蓋剖面圖 d)B-B檢查井蓋防墜裝置局部剖面圖標引序號說明:
1——維護單位信息 2——安裝觀察孔 | 3——生產日期 4——生產廠家商標 | ||
5——執行標準 6——安裝方向標識 7——承壓等級 8——檢查井類型 9——服務熱線 10——開啟標識 | 12——井蓋 13——井座 14——生產廠家信息 15——生產批號 16——彈性鎖定裝置 17——防墜裝置卡扣設計 | ||
11——防墜裝置
注: 適用于瀝青混合料路面的城市主路、公路、高等級公路等區域,以及井口凈開口?650的檢查井,承壓等級為D400。
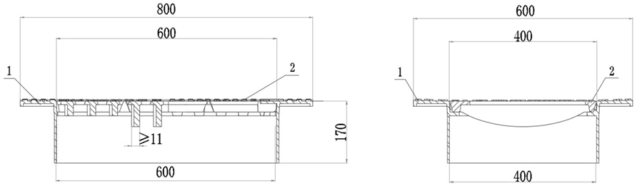
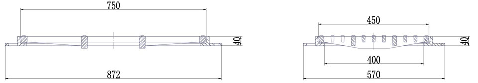
A.1.2 直承式井蓋樣式
帶孔雨水檢查井直承式井蓋樣式如圖A.4所示。
單位為毫米

a)檢查井蓋頂面平面圖 b)檢查井蓋底面平面圖

c)A-A檢查井蓋剖面圖(?700×70H) d)A-A檢查井蓋剖面圖(?700×100H)

e)B-B檢查井蓋防墜裝置局部剖面圖標引序號說明:
1——井座 2——井蓋 3——排水孔 4——執行標準 5——生產廠家商標 6——安裝方向標識 7——承壓等級 8——生產日期 | 9——檢查井類型 10——服務熱線 11——生產廠家信息 12——防墜裝置 13——彈性鎖定裝置 14——生產批號 15——防墜裝置卡扣設計 16——電子標簽安裝孔 |
注: 適用于混凝土路面的城市主路、公路、高等級公路等區域,以及井口凈開口?700的檢查井,總高為70mm的井蓋承壓等級為C250,總高為100mm的井蓋承壓等級為為D400。
無孔雨水檢查井直承式井蓋樣式如圖A.5所示。
單位為毫米

a)檢查井蓋頂面平面圖 b)檢查井蓋底面平面圖

c)A-A檢查井蓋剖面圖(?700×70H) d)A-A檢查井蓋剖面圖(?700×100H)

e)B-B檢查井蓋防墜裝置局部剖面圖標引序號說明:
1——井座 2——井蓋 3——執行標準 4——生產廠家商標 5——安裝方向標識 6——承壓等級 7——生產日期 8——檢查井類型 | 9——服務熱線 10——生產廠家信息 11——防墜裝置 12——彈性鎖定裝置 13——生產批號 14——防墜裝置卡扣設計 15——電子標簽安裝孔
|
注1:適用于混凝土路面的城市主路、公路、高等級公路等區域,以及井口凈開口?700的檢查井,總高為70mm的井蓋承壓等級為C250,總高為100mm的井蓋承壓等級為為D400。
注2:雨污合流區域或雨污分流不徹底區域可采用該樣式井蓋防止臭味擴散。
圖A.5 圖無孔雨水檢查井直承式井蓋樣式
污水檢查井直承式井蓋樣式如圖A.6所示。
單位為毫米

a)檢查井蓋頂面平面圖 b)檢查井蓋底面平面圖
c)檢查A-A井蓋剖面圖(?700×70H) d)A-A檢查井蓋剖面圖(?700×100H)

e)B-B檢查井蓋防墜裝置局部剖面圖標引序號說明:
1——井座 2——井蓋 3——執行標準 | 4——生產廠家商標 5——安裝方向標識 6——承壓等級 |
7——生產日期 8——檢查井類型 9——服務熱線 10——生產廠家信息 11——防墜裝置 | 12——彈性鎖定裝置 13——生產批號 14——防墜裝置卡扣設計 15——電子標簽安裝孔
|
注: 適用于混凝土路面的城市主路、公路、高等級公路等區域,以及井口凈開口?700的檢查井,總高為70mm的井蓋承壓等級為C250,總高為100mm的井蓋承壓等級為為D400。
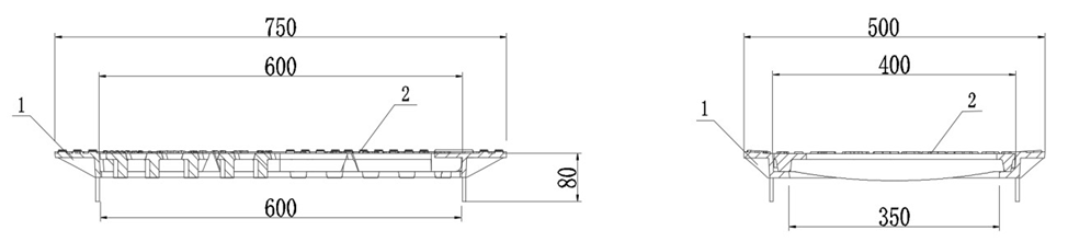
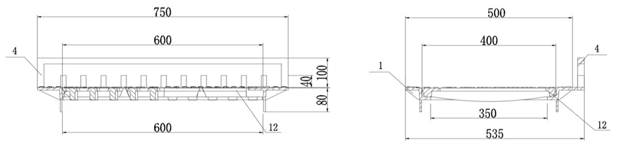
填充式井蓋樣式如圖A.6所示。
單位為毫米

a)檢查井蓋頂面平面圖 b)檢查井蓋底面平面圖

c)井座立體圖 d)A-A檢查井蓋剖面圖
標引序號說明: | |
1——井座 | 2——井蓋 |
3——生產廠家商標 4——檢查井類型 5——執行標準 6——承壓等級 7——生產日期 | 8——生產廠家信息 9——防墜裝置 10——生產批號 11——電子標簽安裝孔
|
注: 適用于人行道、綠化帶等禁止機動車駛入的區域,以及井口凈開口?700的檢查井,承壓等級為B125。
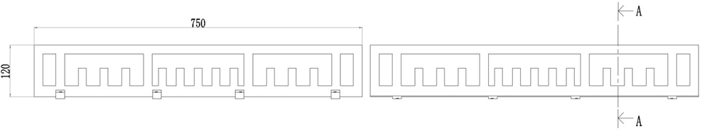
A.2 雨水箅樣式
A.2.1 平入式雨水箅樣式
D400可調式防沉降平入式雨水箅樣式如圖A.8所示。
單位為毫米

a)雨水箅頂面平面圖 b)雨水箅底面平面圖

c)A-A雨水箅剖面圖 d)B-B雨水箅剖面圖標引序號說明:
1——箅座 2——箅子 | 3——生產廠家信息 4——生產日期 |
5——產品型號 6——服務熱線 7——安裝方向標識 8——承壓等級 | 9——執行標準 10——生產批號 11——電子標簽安裝孔
|
注1:適用于井口凈開口600×400的雨水口。
注2:適用于城市主路、公路、高等級公路等區域,承壓等級為D400。
圖A.8 D400可調式防沉降平入式雨水箅樣式
C250可調式防沉降平入式雨水箅樣式如圖A.9所示。
單位為毫米

a)雨水箅頂面平面圖 b)雨水箅底面平面圖

c)A-A雨水箅剖面圖 d)B-B雨水箅剖面圖
標引序號說明:
1——箅座 2——箅子 3——生產廠家信息 4——生產日期 5——產品型號 6——服務熱線 | 7——安裝方向標識 8——承壓等級 9——執行標準 10——生產批號 11——電子標簽安裝孔
|
注1:適用于井口凈開口600×400的雨水口。注2:適用于綠化帶、人行道、小車行駛區域、機動車行道靠路緣石0.5m以內區域, 承壓等級為C250。
圖A.9 C250可調式防沉降平入式雨水箅樣式
C250直承式平入式雨水箅樣式如圖A.10所示。
單位為毫米

a)雨水箅頂面平面圖 b)雨水箅底面平面圖

c)A-A雨水箅剖面圖 d)B-B雨水箅剖面圖標引序號說明:
1——箅座 2——箅子 3——銷軸 4——承壓等級 | 5——執行標準 6——生產廠家信息 7——生產批號 8——電子標簽安裝孔 |
注1:適用于井口凈開口700×400的雨水口。
注2:適用于綠化帶、人行道、小車行駛區域、機動車行道靠路緣石0.5m以內區域, 承壓等級為C250。
圖A.10 C250直承式平入式雨水箅樣式
側入式雨水箅樣式如圖A.11所示。
單位為毫米

a)雨水箅正面平面圖 b)雨水箅背面平面圖

c)A-A雨水箅剖面圖注: 適用于機動車行道靠路緣側石。
平側聯合式雨水箅樣式如圖A.12所示。
單位為毫米

a)雨水箅頂面平面圖 b)雨水箅底面平面圖

c)A-A雨水箅剖面圖 d)B-B雨水箅剖面圖
標引序號說明: | |
1——箅座 2——箅子 3——生產廠家信息 4——側入式雨水箅 5——生產日期 6——產品型號 7——服務熱線 | 8——安裝方向標識 9——承壓等級 10——執行標準 11——生產批號 12——平入式雨水箅 13——電子標簽安裝孔
|
注: 適用于機動車行道緊靠路緣石0.5m以內區域,以及井口凈開口600×40的雨水口,承壓等級為C250。
橫截溝雨水箅樣式如圖A.13所示。
單位為毫米

a)橫截溝雨水箅頂面平面圖 b)橫截溝檢修口雨水箅頂面平面圖

c)A-A橫截溝雨水箅剖面圖 d)B-B橫截溝檢修口雨水箅剖面圖 e)X大樣圖

標引序號說明:
1——執行標準
2——承壓等級
3——生產廠家商標
4——防盜不銹鋼螺栓 5——電子標簽安裝孔
注: 適用于城市主路、公路、高等級公路等區域內的橫截式排水溝,承壓等級為D400。
成都九州合創建材有限公司是一家專業生產井蓋的生產性企業。公司有生產球墨鑄鐵井蓋,鑄鐵井蓋,復合井蓋,樹脂井蓋,不銹鋼隱形井蓋,水泥井蓋,溝蓋板,雨水篦子。擁有先進齊全的井蓋生產設備,機制流水線井蓋生產設備,半自動井蓋生產設備,形成對井蓋行業的帶領作用,是井蓋種類更新最快規格尺寸最齊全的井蓋廠家之一。